Toggle navigation
首页
信息云岛
业务云库
资讯云台
联系我们
系统入口
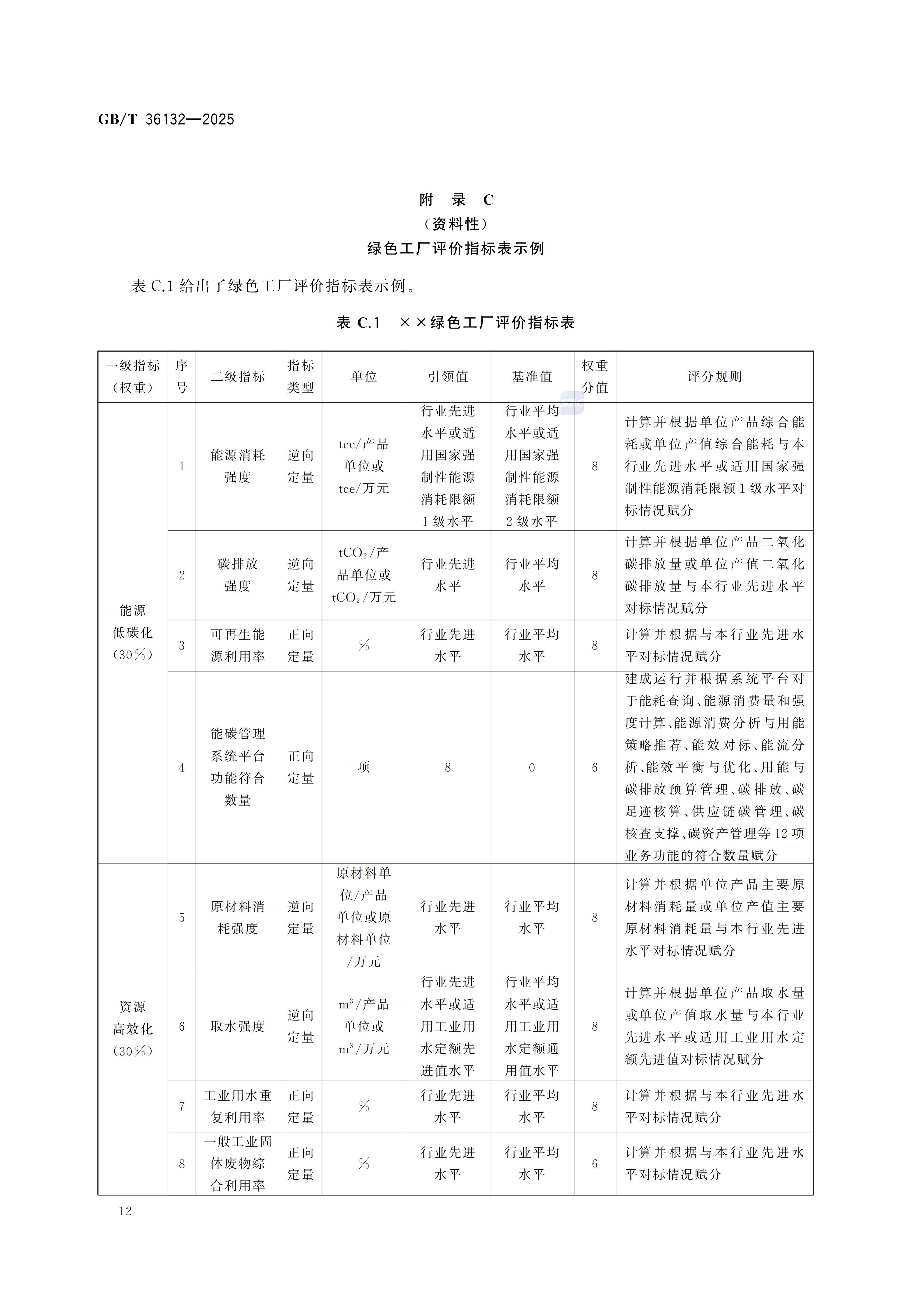
绿色工厂评价通则GBT+36132-2025
适用地区:
全国
政策口径:
经信
政策年份:
2025
∥政策详情∥
相关文件下载
GBT+36132-2025